New Search
Parts
New Outboards
Diagram Sections: 40QMH (1998)
Download as PDF
Bottom Cowling
Bracket 1
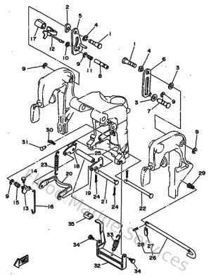
Bracket 2
Carburetor
Controller 1
Crankshaft & Piston
Cylinder & Crankcase
Fuel
Intake
Lower Casing & Drive
Starter
Steering
Top Cowling
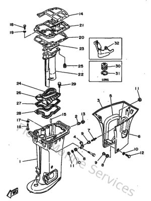
Upper Casing