Diagram Sections: 40VE (2003)
Download as PDF-
BOTTOM COWLING
-
BRACKET 1
-
BRACKET 2
-
BRACKET 3
-
BRACKET 4
-
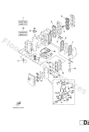
CARBURETOR
-
CONTROL
-
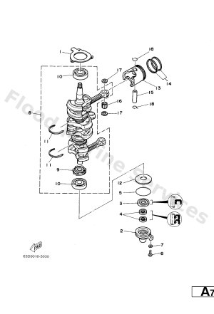
CRANKSHAFT. PISTON
-
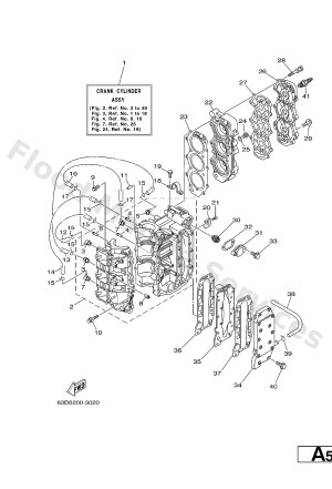
CYLINDER. CRANKCASE
-
ELECTRICAL 1
-
ELECTRICAL 2
-
ELECTRICAL 3
-
ELECTRICAL 4
-
FUEL
-
FUEL TANK
-
GENERATOR
-
INTAKE
-
LOWER CASING. DRIVE 1
-
LOWER CASING. DRIVE 2
-
METER 1
-
METER 2
-
OIL PUMP
-
POWER TRIM & TILT ASSY 1
-
POWER TRIM & TILT ASSY 2
-
REMOTE CONTROL ASSY
-
REMOTE CONTROL BOX
-
REPAIR KIT 1
-
REPAIR KIT 2
-
STARTER
-
STARTING MOTOR
-
STEERING
-
STEERING GUIDE
-
TOP COWLING
-
UPPER CASING