Diagram Sections: 40VMHO (2012)
Download as PDF-
BOTTOM COWLING
-
BRACKET 1
-
BRACKET 2
-
BRACKET 3
-
CARBURETOR
-
CONTROL
-
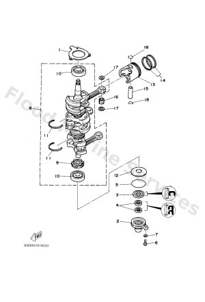
CRANKSHAFT & PISTON
-
CYLINDER & CRANKCASE
-
ELECTRICAL 1
-
ELECTRICAL 2
-
ELECTRICAL 3
-
FUEL
-
FUEL TANK 1
-
FUEL TANK 2
-
GENERATOR
-
INTAKE
-
LOWER CASING & DRIVE 1
-
LOWER CASING & DRIVE 2
-
OIL PUMP 1
-
OIL PUMP 2
-
OPTIONAL PARTS
-
REMOTE CONTROL ASSY
-
REMOTE CONTROL BOX
-
REPAIR KIT 1
-
REPAIR KIT 2
-
STARTER
-
STARTING MOTOR
-
STEERING 1
-
STEERING 2
-
STEERING GUIDE
-
TOP COWLING
-
UPPER CASING