Diagram Sections: 40VMO (1995)
Download as PDF-
Bottom Cowling
-
Bracket 1
-
Bracket 2
-
Bracket 3
-
Bracket 4
-
Carburetor
-
Control
-
Crankshaft & Piston
-
Cylinder & Crankcase
-
Demarreur Electrique
-
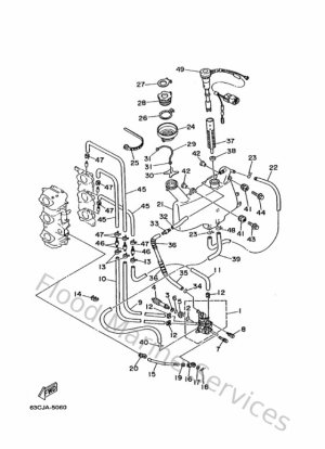
Fuel
-
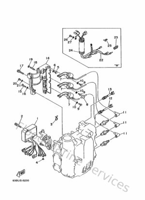
Generatrice
-
Intake
-
Kits De Reparation 1
-
Kits De Reparation 2
-
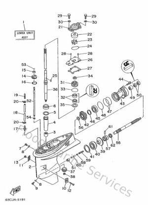
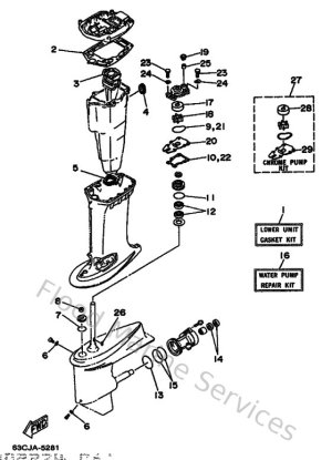
Lower Casing & Drive
-
Oil Pump 1
-
Oil Pump 2
-
Optionnelles 1
-
Optionnelles 2
-
Partie Electrique 1
-
Partie Electrique 2
-
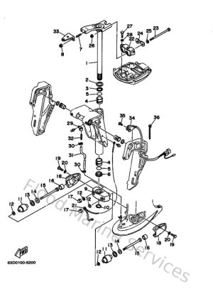
Power Trim & Tilt Assy
-
Starter
-
Steering
-
Top Cowling
-
Upper Casing