Diagram Sections: 40VMO (1998)
Download as PDF-
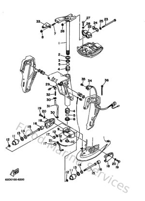
Alternate 1 For Chassis
-
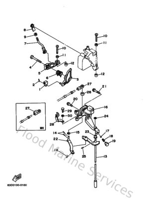
Alternate 2 For Chassis
-
Bottom Cowling
-
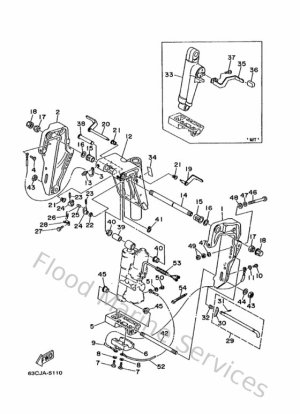
Bracket 1
-
Bracket 2
-
Bracket 3
-
Bracket 4
-
Carburetor
-
Controller 1
-
Crankshaft & Piston
-
Cylinder & Crankcase
-
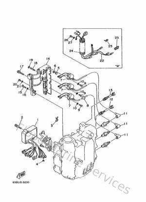
Electrical 1
-
Electrical 2
-
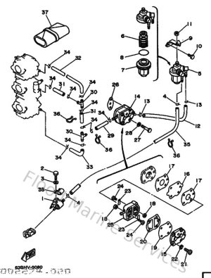
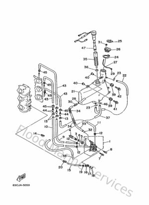
Fuel
-
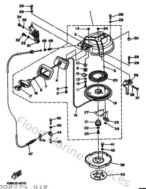
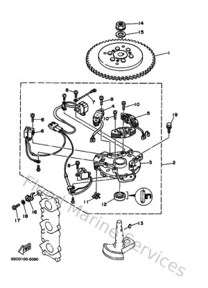
Generator
-
Intake
-
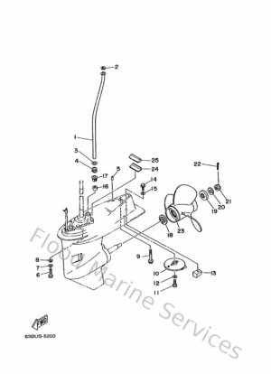
Lower Casing & Drive
-
Oil Pump 1
-
Oil Pump 2
-
Power Trim & Tilt Assy
-
Repair Kit 1
-
Repair Kit 2
-
Starter
-
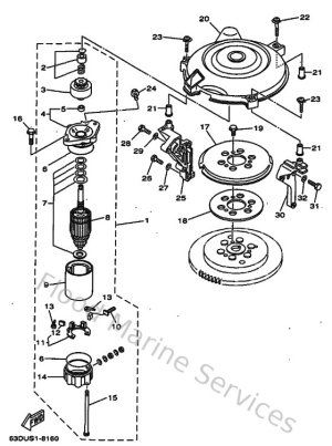
Starting Motor
-
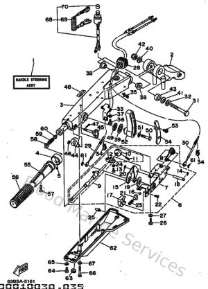
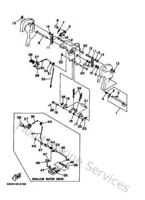
Steering
-
Top Cowling
-
Upper Casing