New Search
Parts
New Outboards
Diagram Sections: 40XMH (2001)
Download as PDF
Bottom Cowling
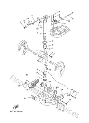
Bracket 1
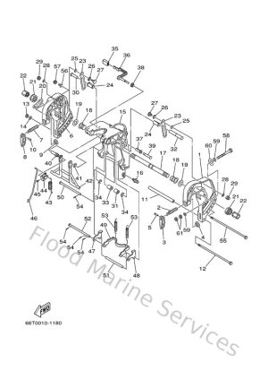
Bracket 3
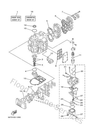
Carburetor
Control
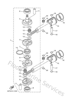
Crankshaft & Piston
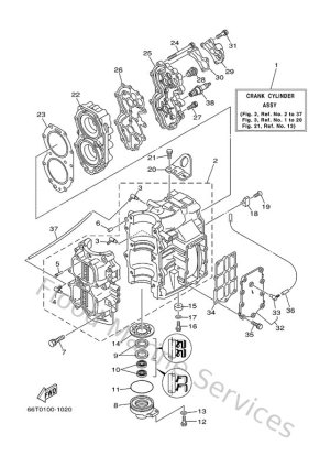
Cylinder. Crankcase
Direction
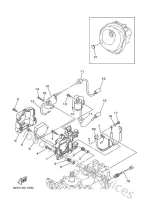
Electrical 1
Fuel
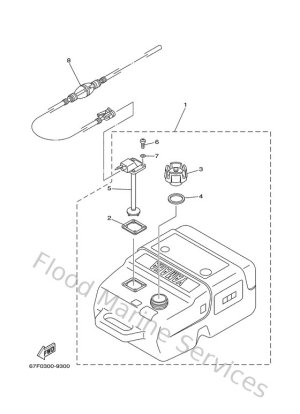
Fuel Tank 1
Fuel Tank 2
Generator
Intake
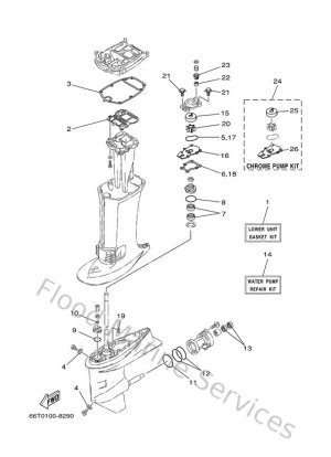
Lower Casing. Drive 1
Lower Casing. Drive 2
Remo-con Attachment
Repair Kit 1
Repair Kit 2
Repair Kit 3
Starter
Top Cowling
Upper Casing