Diagram Sections: 40XMH (2025)
Download as PDF-
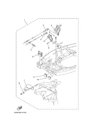
BOTTOM COWLING
-
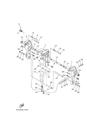
BRACKET 1
-
BRACKET 2
-
BRACKET 3
-
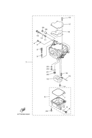
CARBURETOR
-
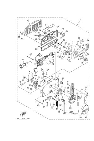
CONTROL
-
CRANKSHAFT & PISTON
-
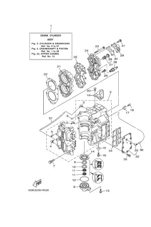
CYLINDER & CRANKCASE
-
ELECTRICAL 1
-
ELECTRICAL 2
-
ELECTRICAL 3
-
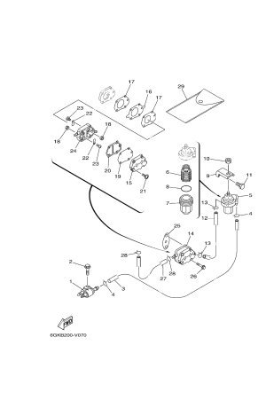
FUEL
-
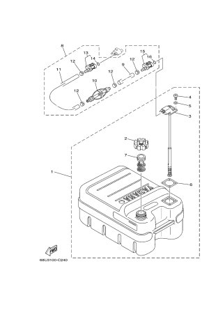
FUEL TANK
-
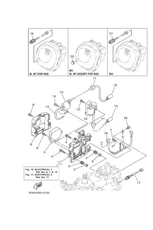
GENERATOR
-
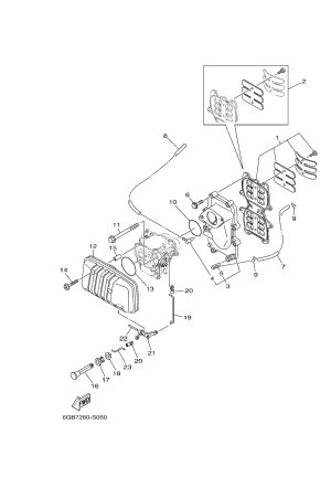
INTAKE
-
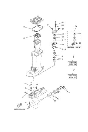
LOWER CASING & DRIVE 1
-
LOWER CASING & DRIVE 2
-
POWER TRIM & TILT ASSY
-
REMO CON ATTACHMENT
-
REMOTE CONTROL ASSY 1
-
REMOTE CONTROL ASSY 2
-
REMOTE CONTROL BOX
-
REPAIR KIT 1
-
REPAIR KIT 2
-
REPAIR KIT 3
-
SCHEDULED SERVICE PARTS
-
STARTER
-
STARTING MOTOR
-
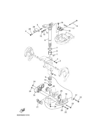
STEERING
-
STEERING FRICTION
-
STEERING GUIDE
-
TOP COWLING
-
UPPER CASING