New Search
Parts
New Outboards
Diagram Sections: 4ACMH (1986)
Download as PDF
Control
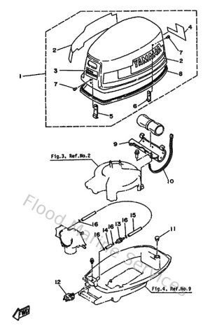
Cowling
Cowling & Fuel
Cylinder & Crankcase
Electric Parts
Fuel
Intake
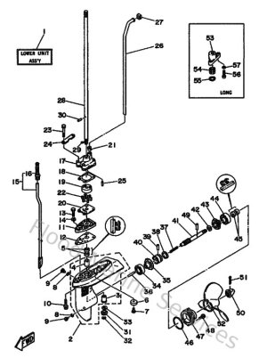
Lower Casing & Drive
Magneto
Optional Parts
Repair Kit
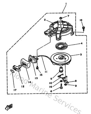
Starter
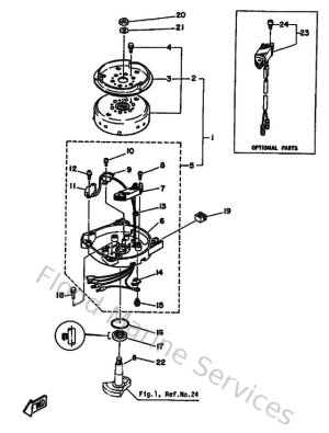
Upper Casing & Bracket