New Search
Parts
New Outboards
Diagram Sections: 4ACMH (1992)
Download as PDF
Alternate 1
Alternate 2
Control
Cowling & Fuel
Cylinder & Crankcase
Electrical 1
Generator
Intake
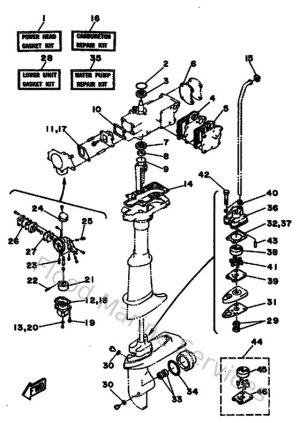
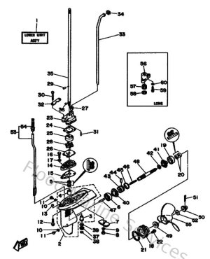
Lower Casing & Drive 1
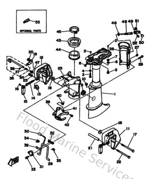
Optional Parts 1
Repair Kit
Starter
Upper Casing & Bracket