New Search
Parts
New Outboards
Diagram Sections: 4ACMH (1999)
Download as PDF
Bottom Cowling
Controller 1
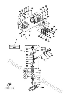
Cylinder & Crankcase
Electrique
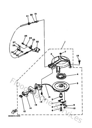
Generatrice
Intake
Kit De Reparation
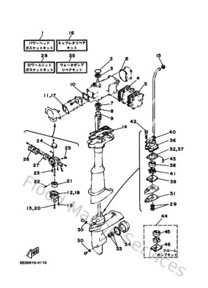
Lower Casing & Drive
Starter
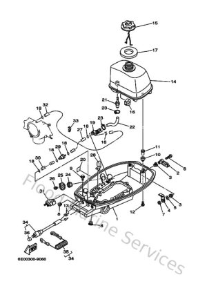
Top Cowling
Upper Casing & Bracket