New Search
Parts
New Outboards
Diagram Sections: 4ACMH (2001)
Download as PDF
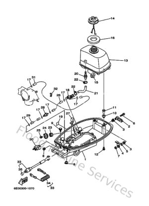
Bottom Cowling
Control
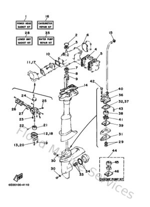
Cylinder & Crankcase
Electrical 1
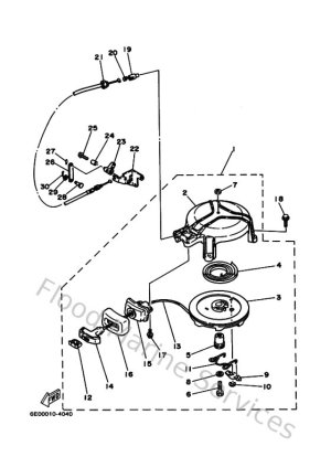
Generator
Intake
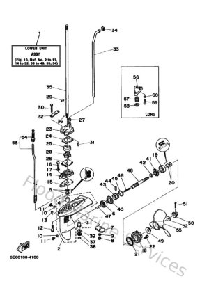
Lower Casing & Drive 1
Repair Kit 1
Starter
Top Cowling
Upper Casing & Bracket