Diagram Sections: 50DEMTO (1987)
Download as PDF-
Bottom Cowling
-
Bracket
-
Bracket 1
-
Bracket 2
-
Carburetor
-
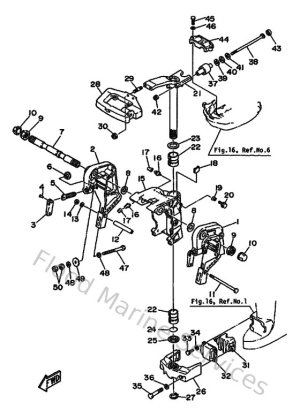
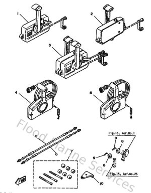
Control
-
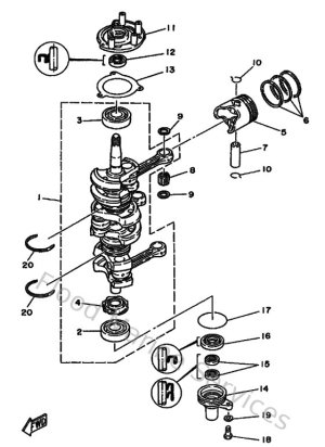
Crankshaft & Piston
-
Cylinder & Crankcase
-
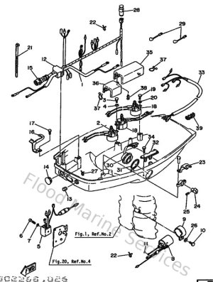
Electric Motor
-
Electric Parts 2
-
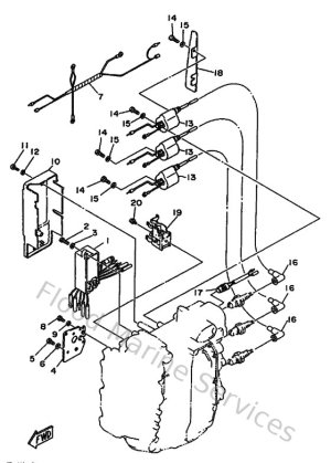
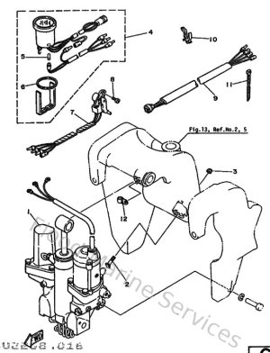
Electrical 1
-
Fuel 1
-
Fuel 2
-
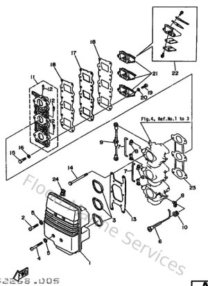
Intake
-
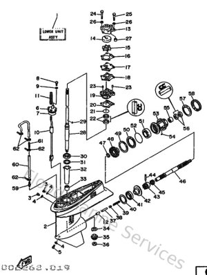
Lower Casing & Drive 1
-
Lower Casing & Drive 2
-
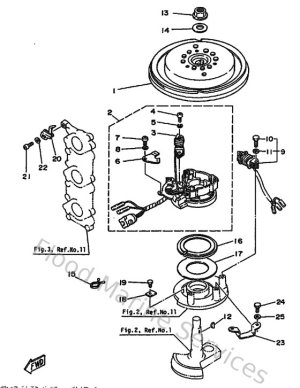
Magneto
-
Oil Pump
-
Optional Parts 1
-
Optional Parts 2
-
Optional Parts 3
-
Optional Parts 4
-
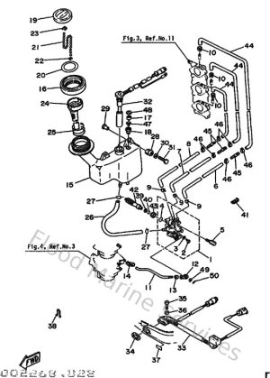
Power Trim & Tilt Assy
-
Remote Control
-
Remote Control Assy 1
-
Remote Control Assy 2
-
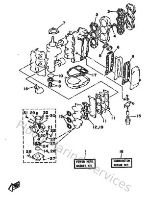
Repair Kit 1
-
Repair Kit 2
-
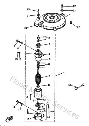
Starter
-
Steering Guide
-
Top Cowling
-
Upper Casing