Diagram Sections: 50DEMTO (1988)
Download as PDF-
Alternate 1
-
Alternate 10
-
Alternate 2
-
Alternate 3
-
Alternate 4
-
Alternate 5
-
Alternate 6
-
Alternate 7
-
Alternate 8
-
Alternate 9
-
Bottom Cowling
-
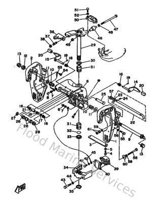
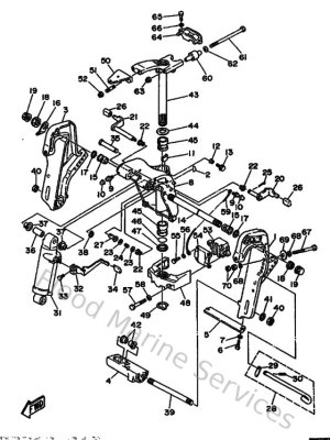
Bracket
-
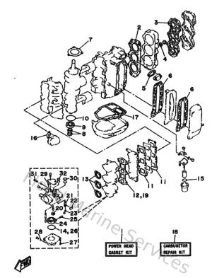
Carburetor
-
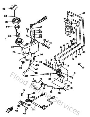
Control
-
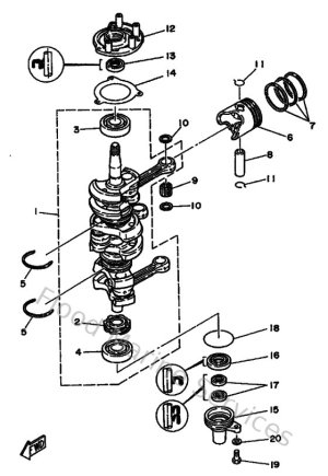
Crankshaft & Piston
-
Cylinder & Crankcase
-
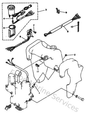
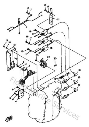
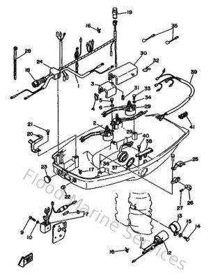
Electrical
-
Fuel
-
Fuel 2
-
Intake
-
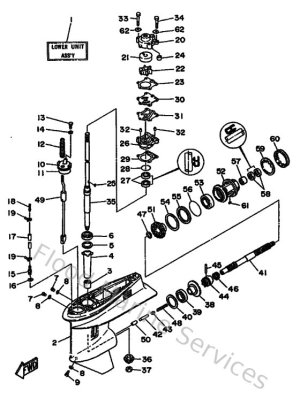
Lower Casing & Drive 1
-
Lower Casing & Drive 2
-
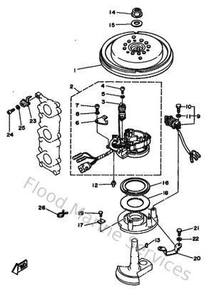
Magneto
-
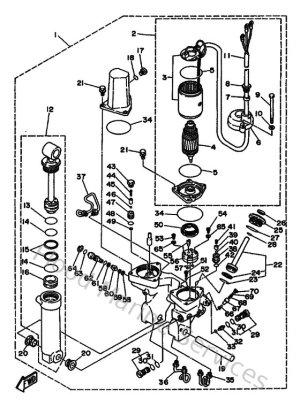
Oil Pump
-
Optional Parts 1
-
Optional Parts 2
-
Optional Parts 3
-
Optional Parts 4
-
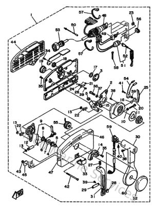
Remote Control
-
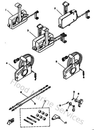
Remote Control Assy 1
-
Remote Control Assy 2
-
Repair Kit 1
-
Repair Kit 2
-
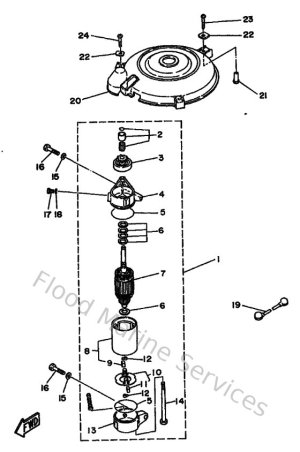
Starter
-
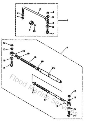
Steering Guide Attachment 1
-
Steering Guide Attachment 2
-
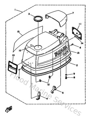
Top Cowling
-
Upper Casing