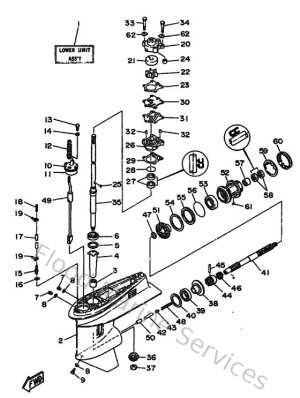
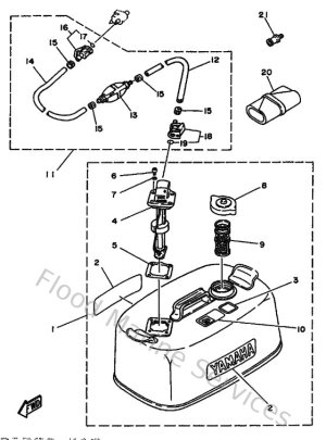
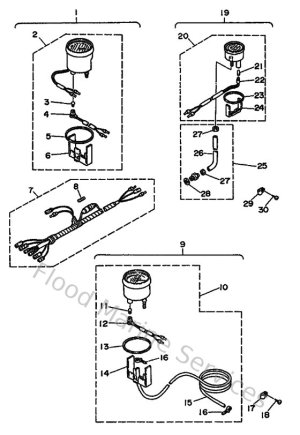
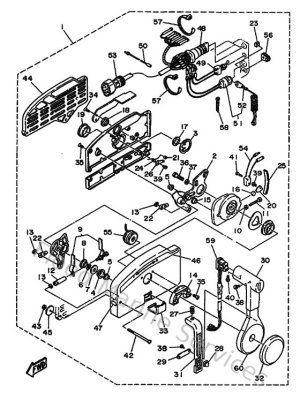
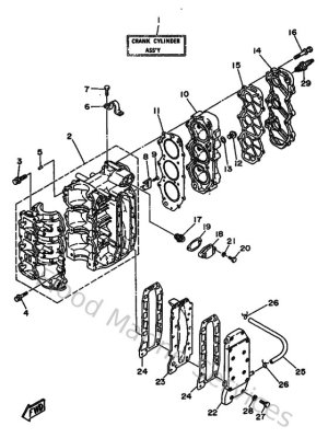
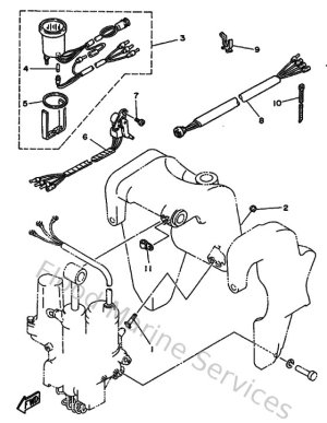
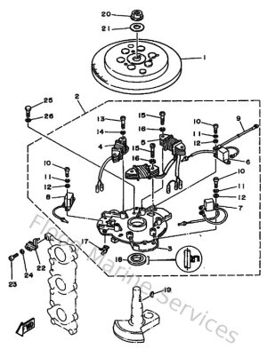
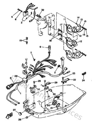
Diagram Sections: 50DEMTO (1989)

Download as PDF