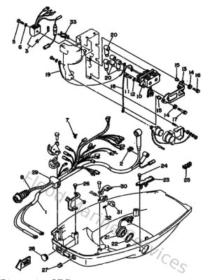
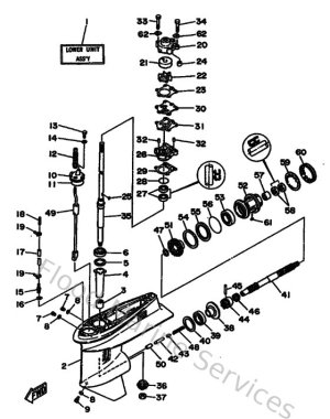
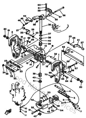
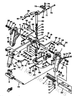
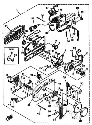
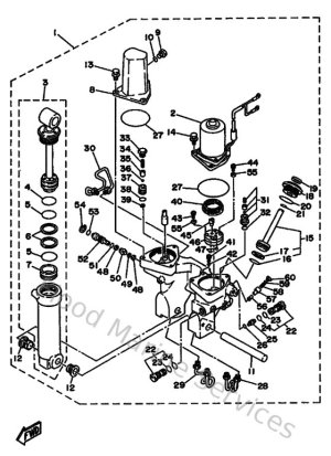
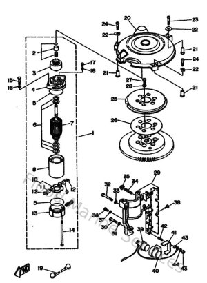
Diagram Sections: 50DEMTO (1993)

Download as PDF