Diagram Sections: 50GETO (1993)
Download as PDF-
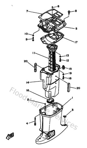
Bottom Cowling
-
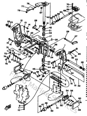
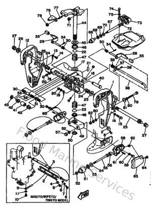
Bracket 1
-
Bracket 2
-
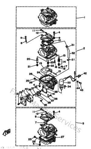
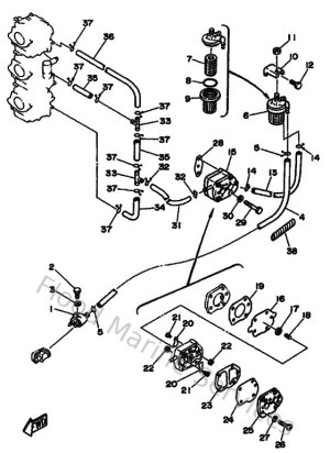
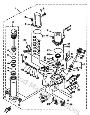
Carburetor
-
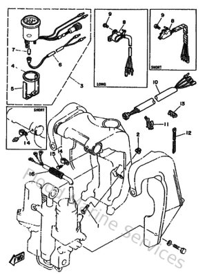
Control
-
Crankshaft & Piston
-
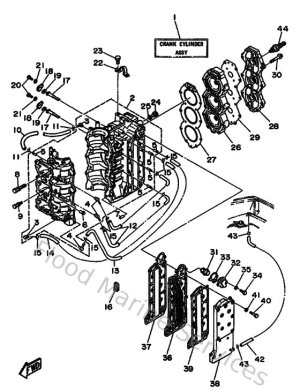
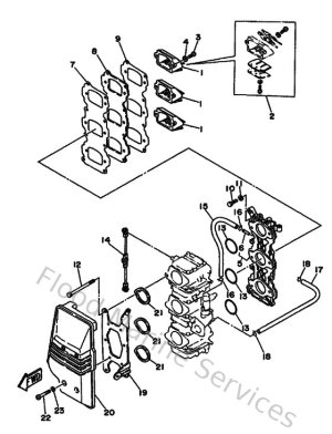
Cylinder & Crankcase
-
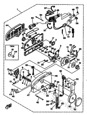
Electrical
-
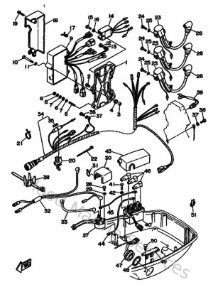
Fuel 1
-
Fuel 2
-
Intake
-
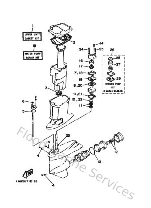
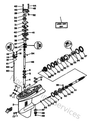
Lower Casing & Drive 1
-
Lower Casing & Drive 2
-
Magneto
-
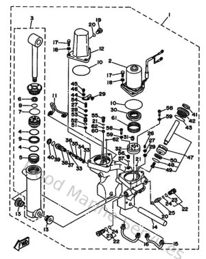
Manual Tilt
-
Oil Pump
-
Optional Parts 1
-
Optional Parts 2
-
Optional Parts 3
-
Optional Parts 4
-
Optional Parts 5
-
Optional Parts 6
-
Power Trim & Tilt Assy
-
Power Trim & Tilt Assy 1
-
Power Trim & Tilt Assy 2
-
Remote Control
-
Remote Control Assy
-
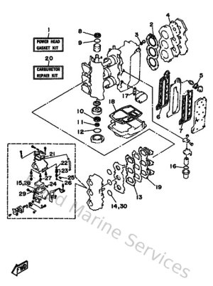
Repair Kit 1
-
Repair Kit 2
-
Starting Motor
-
Steering Guide
-
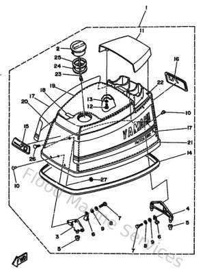
Top Cowling
-
Upper Casing