Diagram Sections: 50GETO (2006)
Download as PDF-
BOTTOM COWLING
-
BRACKET 1
-
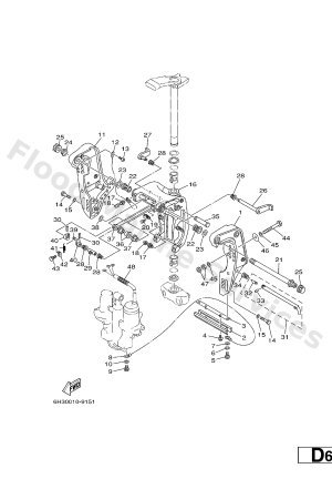
BRACKET 2
-
CARBURETOR
-
CONTROL
-
CRANKSHAFT & PISTON
-
CYLINDER & CRANKCASE
-
ELECTRICAL
-
FUEL
-
FUEL TANK
-
GENERATOR
-
INTAKE
-
LOWER CASING & DRIVE 1
-
LOWER CASING & DRIVE 2
-
LOWER CASING & DRIVE 3
-
LOWER CASING & DRIVE 4
-
METER
-
OIL PUMP
-
OPTIONAL PARTS
-
POWER TRIM & TILT ASSY
-
REMOTE CONTROL ASSY
-
REMOTE CONTROL BOX
-
REPAIR KIT 1
-
REPAIR KIT 2
-
STARTING MOTOR
-
STEERING GUIDE
-
TOP COWLING
-
UPPER CASING