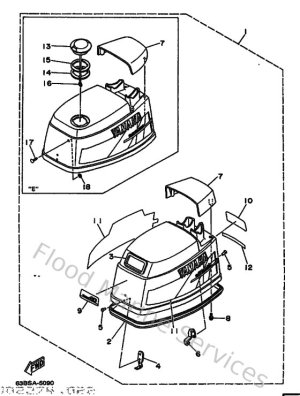
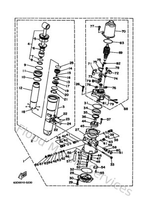
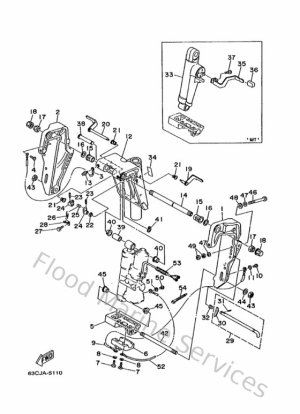
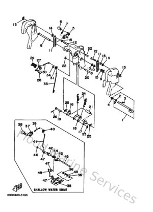
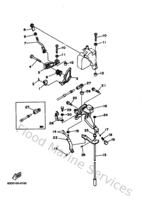
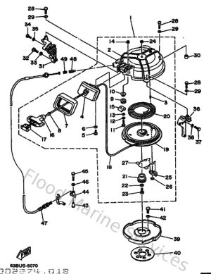
Diagram Sections: 50HM (1996)

Download as PDF