Diagram Sections: 50HM (1998)
Download as PDF-
Alternate 1 For Chassis
-
Alternate 2 For Chassis
-
Bottom Cowling
-
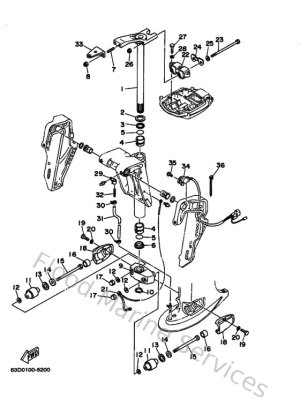
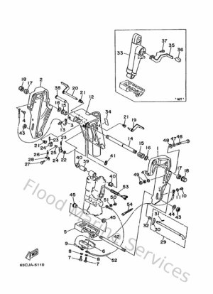
Bracket 1
-
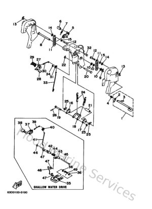
Bracket 2
-
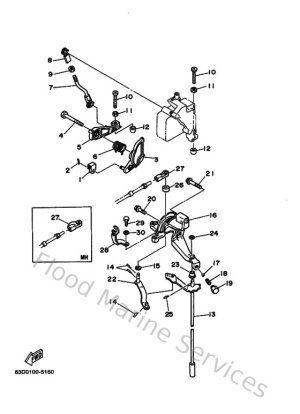
Bracket 3
-
Bracket 4
-
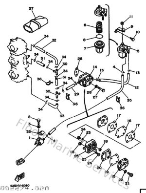
Carburetor
-
Controller 1
-
Crankshaft & Piston
-
Cylinder & Crankcase
-
Electrical 1
-
Electrical 2
-
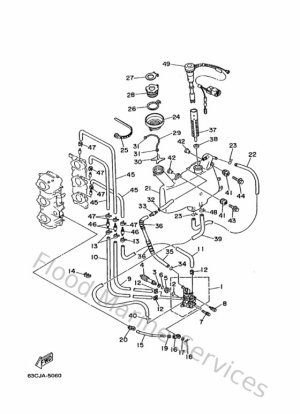
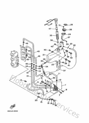
Fuel
-
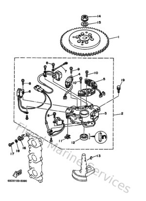
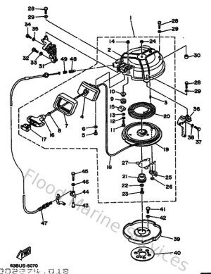
Generator
-
Intake
-
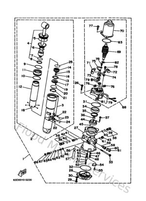
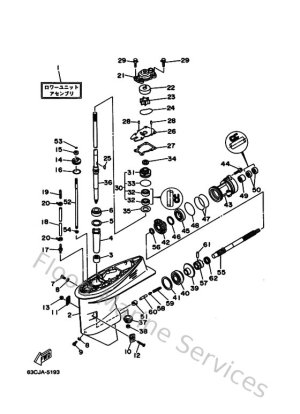
Lower Casing & Drive
-
Oil Pump 1
-
Oil Pump 2
-
Power Trim & Tilt Assy
-
Repair Kit 1
-
Repair Kit 2
-
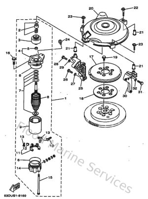
Starter
-
Starting Motor
-
Steering
-
Top Cowling
-
Upper Casing