Diagram Sections: 55BM (1990)
Download as PDF-
Bottom Cowling
-
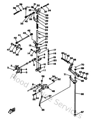
Bracket 1
-
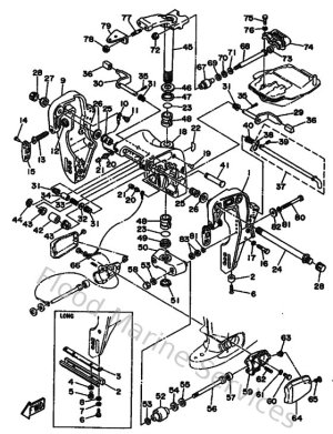
Bracket 2
-
Control
-
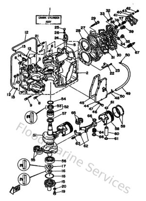
Cylinder & Crankcase
-
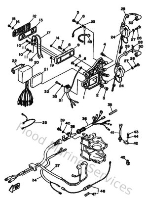
Electrical
-
Fuel
-
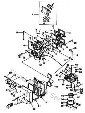
Intake
-
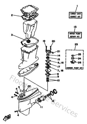
Lower Casing & Drive 1
-
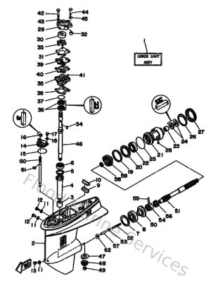
Lower Casing & Drive 2
-
Magneto
-
Optional Parts 1
-
Optional Parts 2
-
Optional Parts 3
-
Optional Parts 4
-
Optional Parts 5
-
Remote Control
-
Remote Control Assy
-
Repair Kit 1
-
Repair Kit 2
-
Starting Motor
-
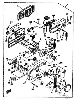
Steering Guide Attachment 1
-
Top Cowling
-
Upper Casing