Diagram Sections: 55BM (1992)
Download as PDF-
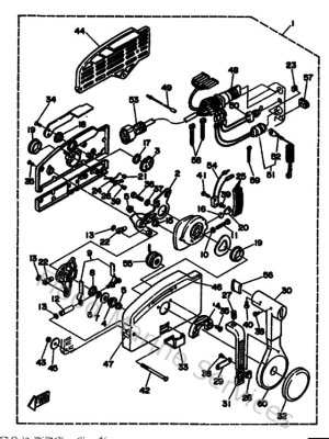
Bottom Cowling
-
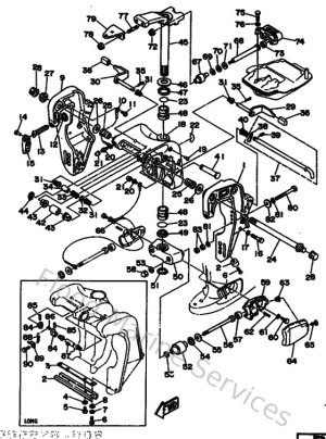
Bracket 1
-
Bracket 2
-
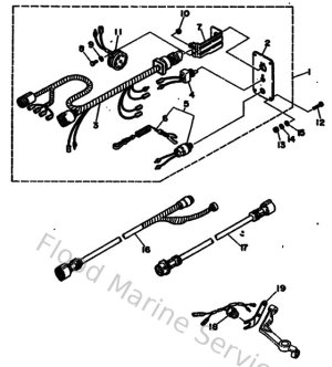
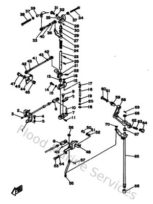
Control
-
Cylinder & Crankcase
-
Electrical
-
Fuel
-
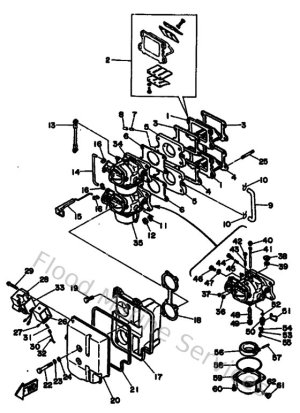
Intake
-
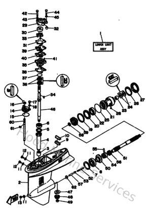
Lower Casing & Drive 1
-
Lower Casing & Drive 2
-
Magneto
-
Optional Parts 1
-
Optional Parts 2
-
Optional Parts 3
-
Optional Parts 4
-
Optional Parts 5
-
Remote Control
-
Remote Control Assy
-
Repair Kit 1
-
Repair Kit 2
-
Starting Motor
-
Steering Guide
-
Top Cowling
-
Upper Casing