New Search
Parts
New Outboards
Diagram Sections: 55BM (1995)
Download as PDF
Bottom Cowling
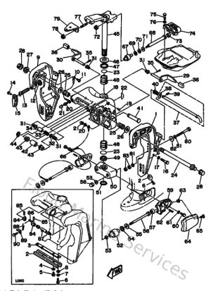
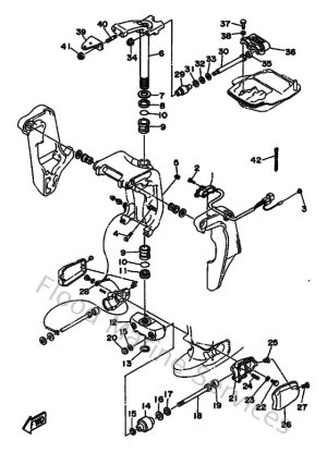
Bracket 1
Bracket 2
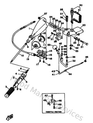
Control
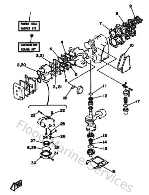
Cylinder & Crankcase
Demarreur Electrique
Fuel
Generatrice
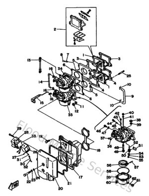
Intake
Kits De Reparation 1
Kits De Reparation 2
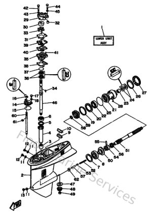
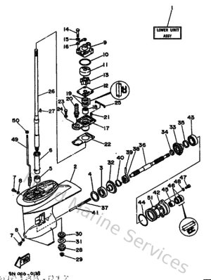
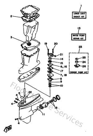
Lower Casing & Drive
Optionnelles 1
Optionnelles 2
Optionnelles 4
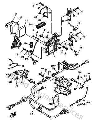
Partie Electrique 1
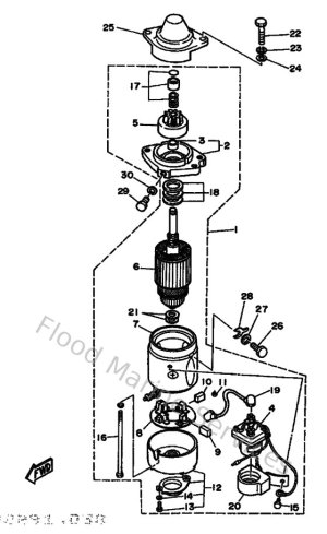
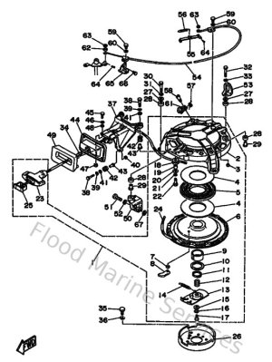
Starter
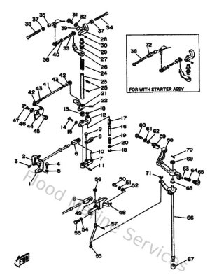
Steering
Top Cowling
Upper Casing