New Search
Parts
New Outboards
Diagram Sections: 55BM (1997)
Download as PDF
Bottom Cowling
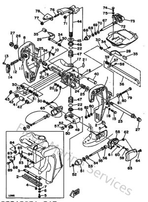
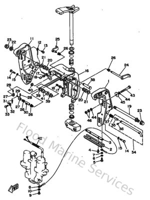
Bracket 1
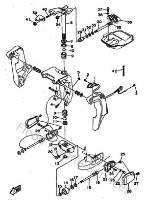
Bracket 2
Control
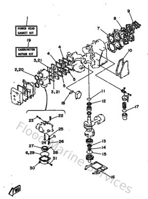
Cylinder & Crankcase
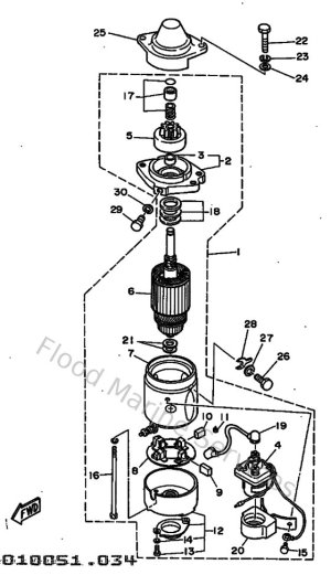
Demarreur Electrique
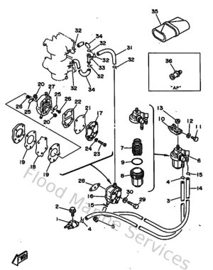
Fuel
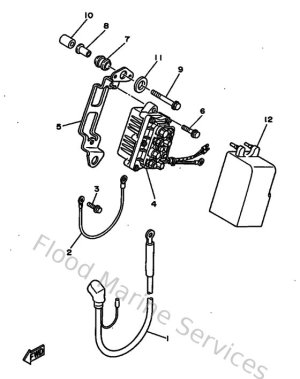
Generatrice
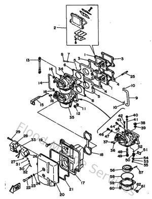
Intake
Kits De Reparation 1
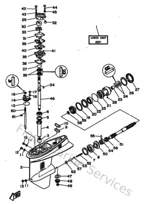
Lower Casing & Drive
Optionnelles 1
Optionnelles 2
Optionnelles 3
Optionnelles 4
Partie Electrique 1
Partie Electrique 2
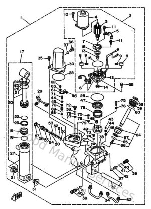
Steering
Top Cowling
Upper Casing