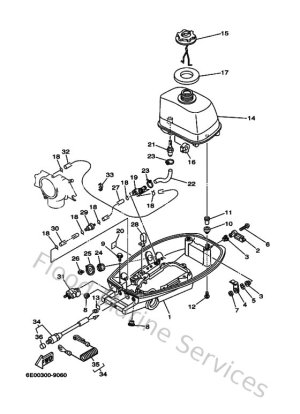
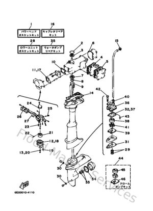
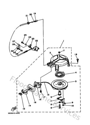
Diagram Sections: 5CMH (1999)

Download as PDF