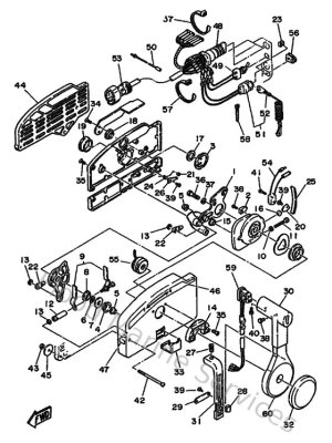
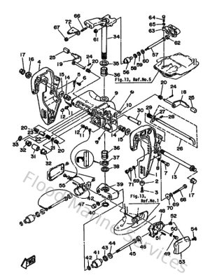
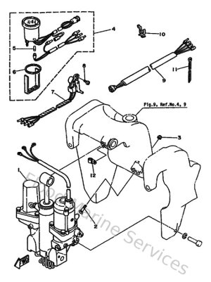
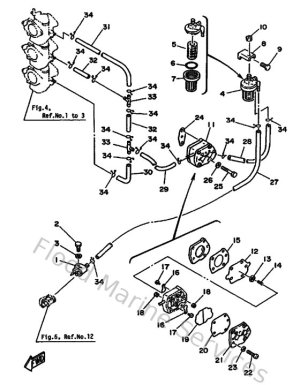
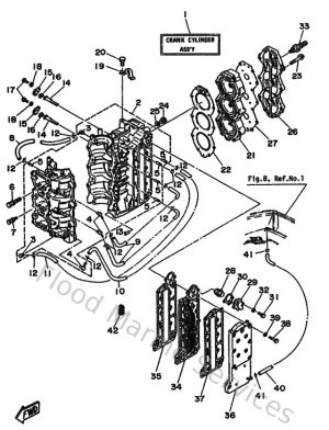
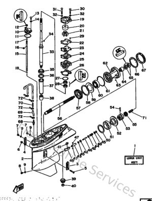
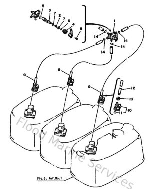
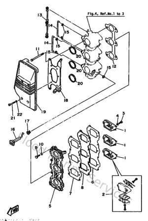
Diagram Sections: 60FETO (1986)

Download as PDF