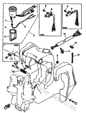
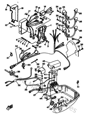
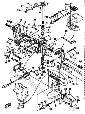
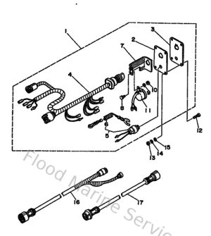
Diagram Sections: 60FETO (1993)

Download as PDF