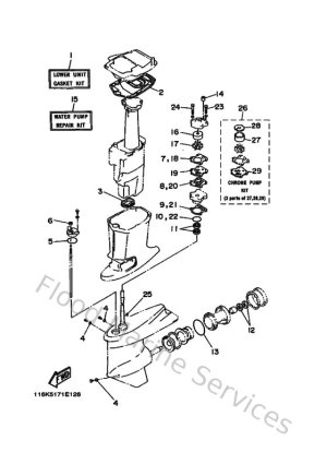
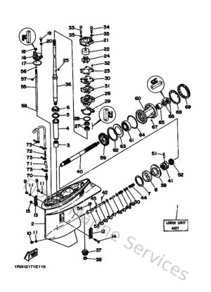
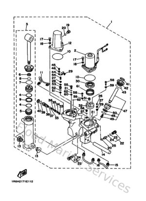
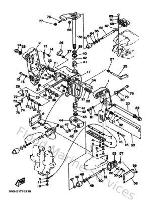
Diagram Sections: 60FETO (1995)

Download as PDF