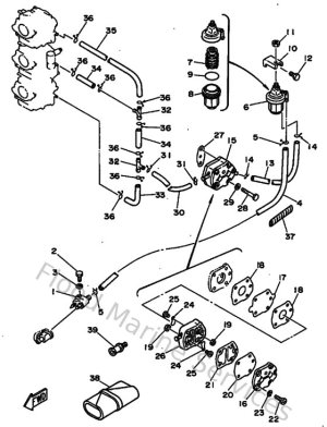
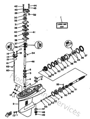
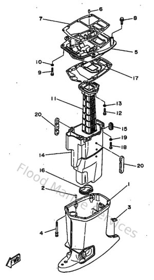
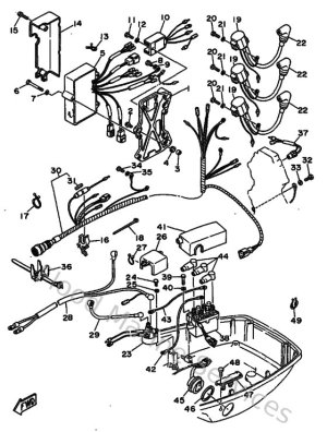
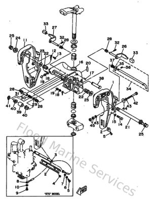
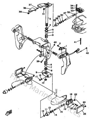
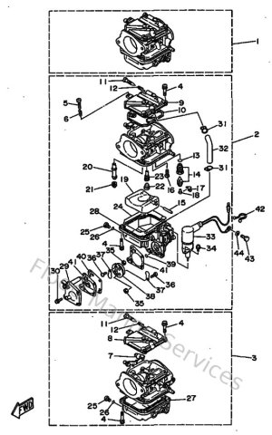
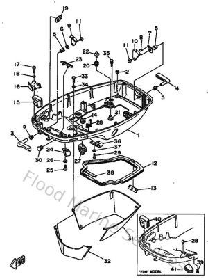
Diagram Sections: 60FETO (1998)

Download as PDF