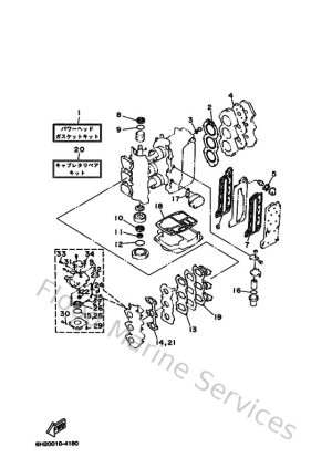
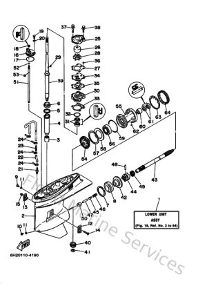
Diagram Sections: 60FETO (2001)

Download as PDF