Diagram Sections: 60FETO (2002)
Download as PDF-
BOTTOM COWLING
-
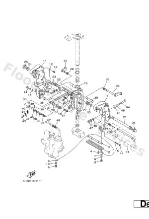
BRACKET 1
-
BRACKET 2
-
CARBURETOR
-
CONTROL
-
CRANKSHAFT. PISTON
-
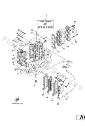
CYLINDER. CRANKCASE
-
ELECTRICAL
-
FUEL
-
FUEL TANK
-
GENERATOR
-
INTAKE
-
LOWER CASING. DRIVE 1
-
LOWER CASING. DRIVE 2
-
LOWER CASING. DRIVE 3
-
LOWER CASING. DRIVE 4
-
METER
-
OIL PUMP
-
POWER TRIM & TILT ASSY
-
REMOTE CONTROL ASSY
-
REMOTE CONTROL BOX
-
REPAIR KIT 1
-
REPAIR KIT 2
-
STARTING MOTOR
-
STEERING GUIDE
-
TOP COWLING
-
UPPER CASING