New Search
Parts
New Outboards
Diagram Sections: 6DMH (1998)
Download as PDF
Bottom Cowling
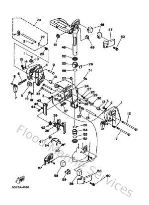
Bracket 1
Carburetor
Controller 1
Crankshaft & Piston
Cylinder & Crankcase
Demarreur Electrique
Fuel
Generatrice
Intake
Kits De Reparation 1
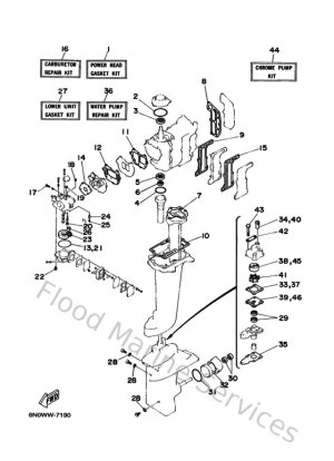
Lower Casing & Drive
Partie Electrique 1
Pieces Electrique
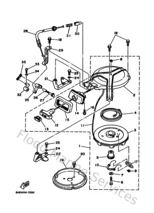
Starter
Steering
Top Cowling
Upper Casing