Diagram Sections: 70BETO (1985)
Download as PDF-
Bottom Cowling
-
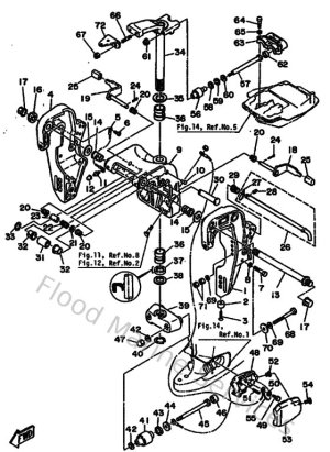
Bracket 1
-
Bracket 2
-
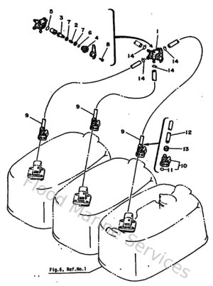
Carburetor
-
Control
-
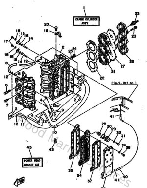
Crankshaft & Piston
-
Cylinder & Crankcase
-
Electric Motor
-
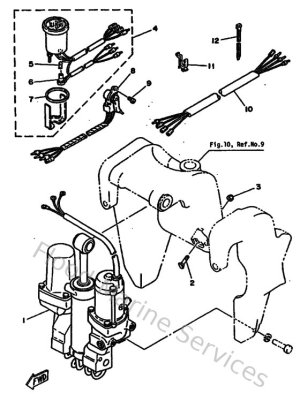
Electric Parts
-
Fuel 1
-
Fuel 2
-
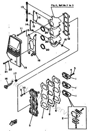
Intake
-
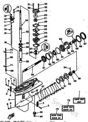
Lower Casing & Drive 1
-
Lower Casing & Drive 2
-
Magneto
-
Optional Parts 1
-
Optional Parts 2
-
Optional Parts 3
-
Optional Parts 4
-
Optional Parts 5
-
Power Trim & Tilt Assy
-
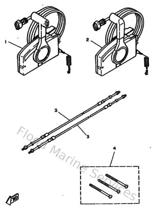
Remote Control
-
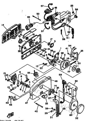
Remote Control Assy 1
-
Repair Kit
-
Steering Guide
-
Top Cowling
-
Upper Casing