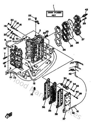
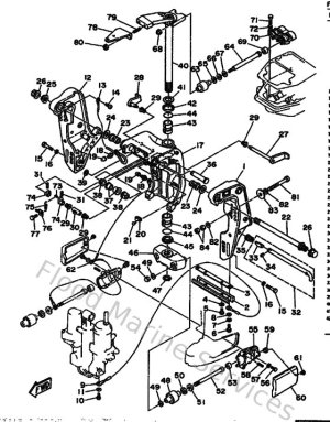
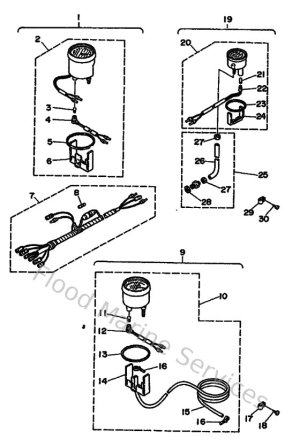
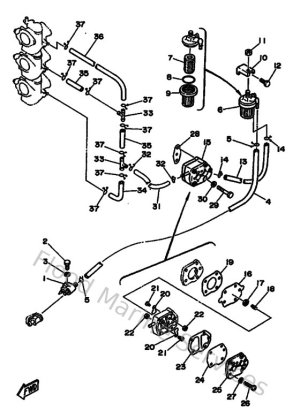
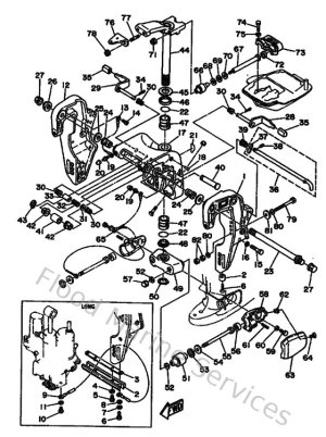
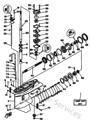
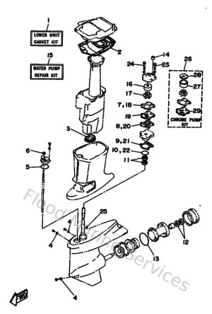
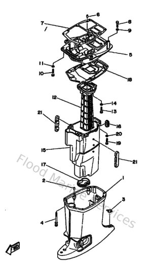
Diagram Sections: 70BETO (1990)

Download as PDF