Diagram Sections: 70BETO (1993)
Download as PDF-
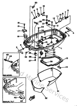
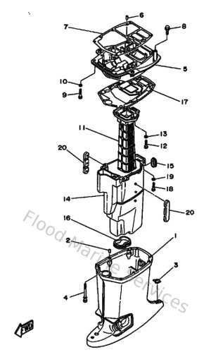
Bottom Cowling
-
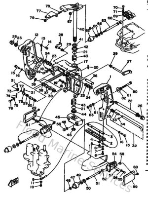
Bracket 1
-
Bracket 2
-
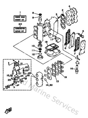
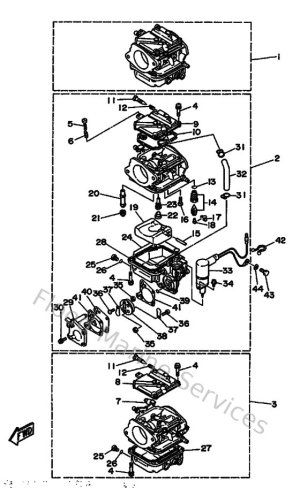
Carburetor
-
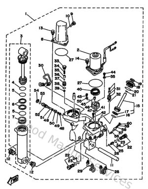
Control
-
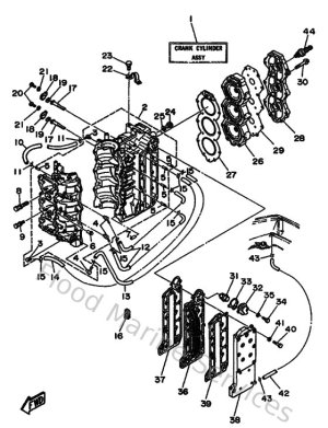
Crankshaft & Piston
-
Cylinder & Crankcase
-
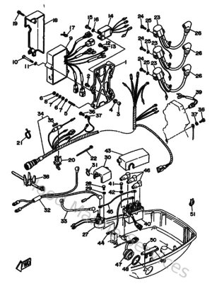
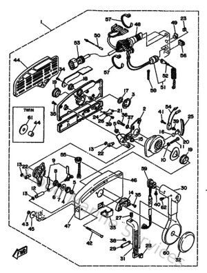
Electrical
-
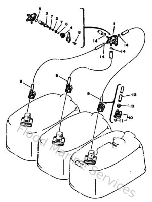
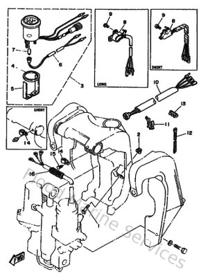
Fuel 1
-
Fuel 2
-
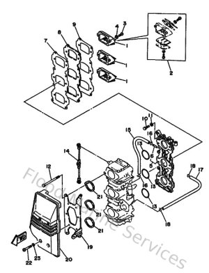
Intake
-
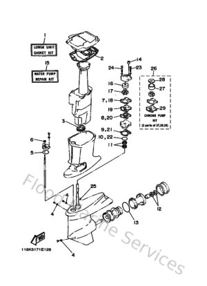
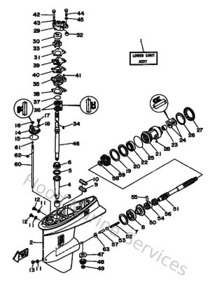
Lower Casing & Drive 1
-
Lower Casing & Drive 2
-
Magneto
-
Manual Tilt
-
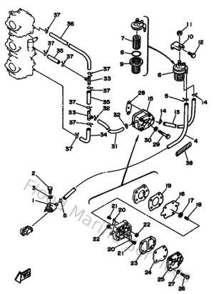
Oil Pump
-
Optional Parts 1
-
Optional Parts 2
-
Optional Parts 3
-
Optional Parts 4
-
Optional Parts 5
-
Optional Parts 6
-
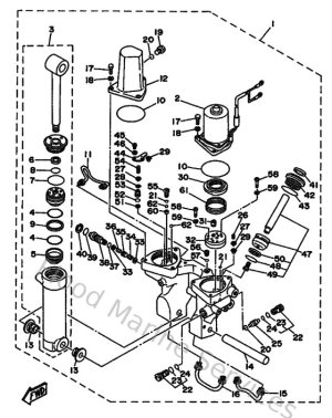
Power Trim & Tilt Assy
-
Power Trim & Tilt Assy 1
-
Power Trim & Tilt Assy 2
-
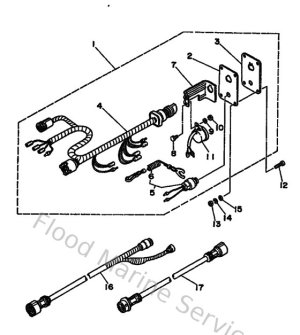
Remote Control
-
Remote Control Assy
-
Repair Kit 1
-
Repair Kit 2
-
Starting Motor
-
Steering Guide
-
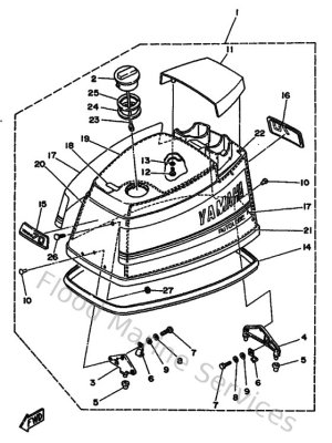
Top Cowling
-
Upper Casing