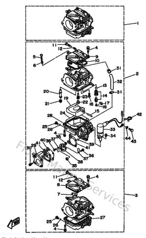
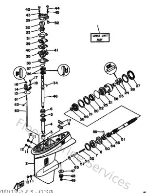
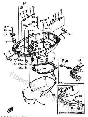
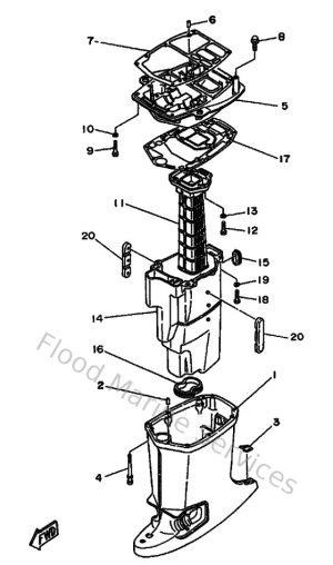
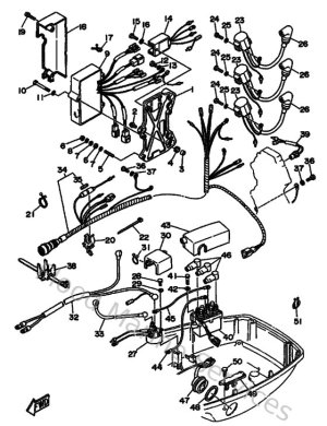
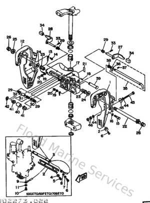
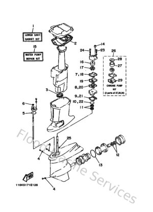
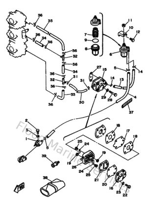
Diagram Sections: 70BETO (1995)

Download as PDF