New Search
Parts
New Outboards
Diagram Sections: 75CETO (1998)
Download as PDF
Bottom Cowling
Bracket 1
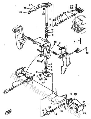
Bracket 2
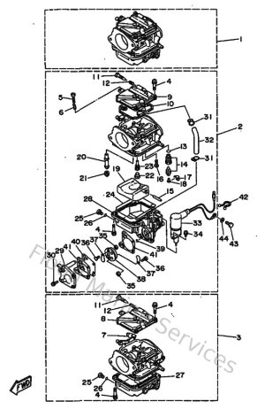
Carburetor
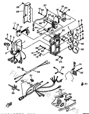
Controller 1
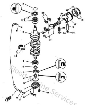
Crankshaft & Piston
Cylinder & Crankcase
Demarreur Electrique
Fuel
Generatrice
Intake
Kits De Reparation 1
Kits De Reparation 2
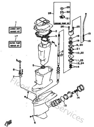
Lower Casing & Drive
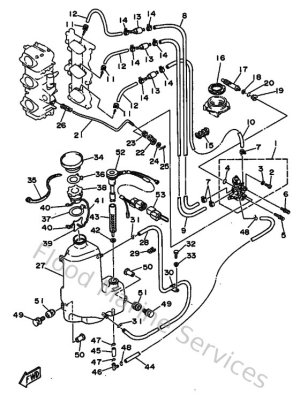
Oil Pump
Partie Electrique 1
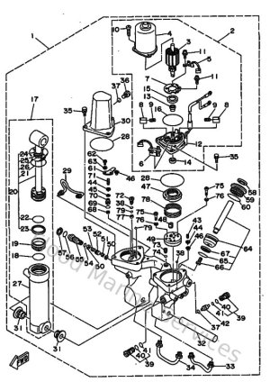
Power Trim & Tilt Assy
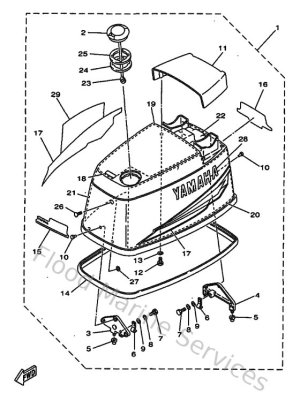
Top Cowling
Upper Casing