Diagram Sections: 80AETOL (1987)
Download as PDF-
Bottom Cowling
-
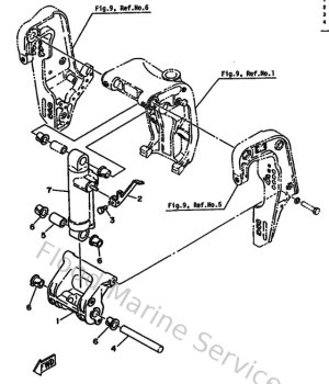
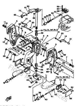
Bracket 1
-
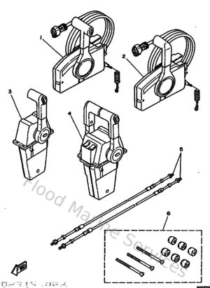
Bracket 2
-
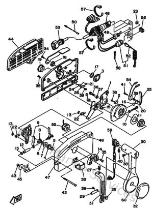
Control
-
Crankshaft & Piston
-
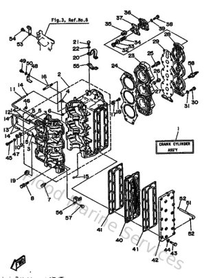
Cylinder & Crankcase
-
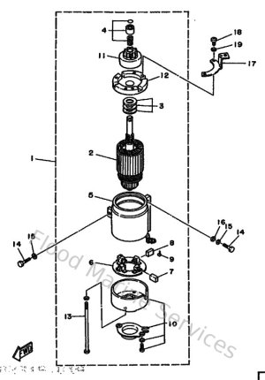
Electric Motor
-
Electric Parts
-
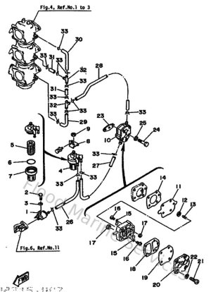
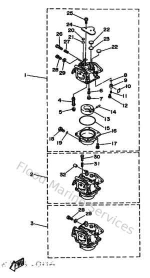
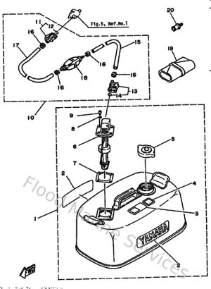
Fuel 1
-
Fuel 2
-
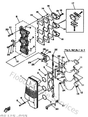
Intake 1
-
Intake 2
-
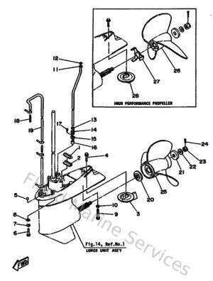
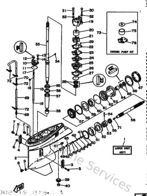
Lower Casing & Drive 1
-
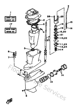
Lower Casing & Drive 2
-
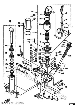
Magneto
-
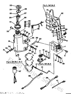
Oil Pump
-
Optional Parts 1
-
Optional Parts 2
-
Optional Parts 3
-
Optional Parts 4
-
Optional Parts 5
-
Optional Parts 6
-
Power Trim & Tilt Assy
-
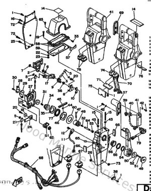
Remote Control
-
Remote Control Assy 1
-
Remote Control Assy 2
-
Repair Kit 1
-
Repair Kit 2
-
Steering Guide
-
Top Cowling
-
Upper Casing