New Search
Parts
New Outboards
Diagram Sections: 80AETOL (1994)
Download as PDF
Bottom Cowling
Bracket 1
Bracket 2
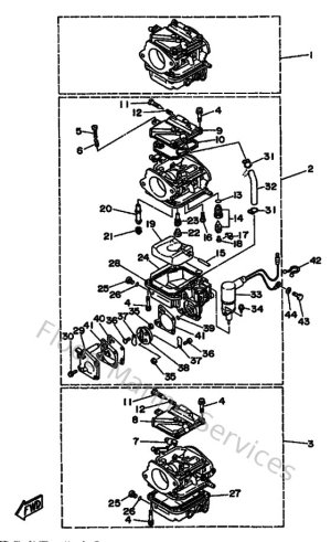
Carburetor
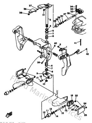
Control
Crankshaft & Piston
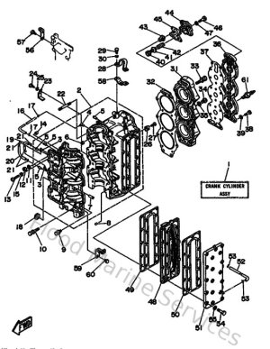
Cylinder & Crankcase
Demarreur Electrique
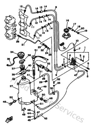
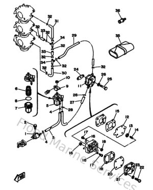
Fuel
Generatrice
Incliner Manuel
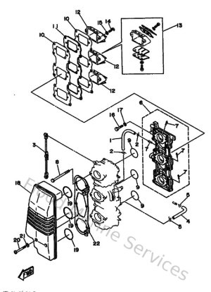
Intake
Kits De Reparation 1
Kits De Reparation 2
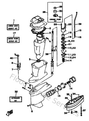
Lower Casing & Drive
Oil Pump
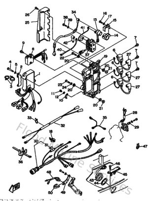
Partie Electrique 1
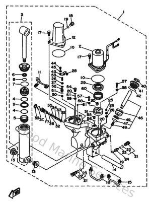
Power Trim & Tilt Assy
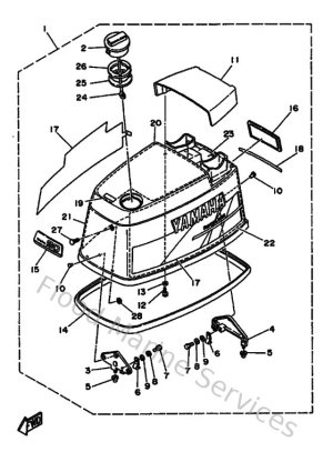
Top Cowling
Upper Casing