Diagram Sections: 8CEM (1985)
Download as PDF-
Bottom Cowling
-
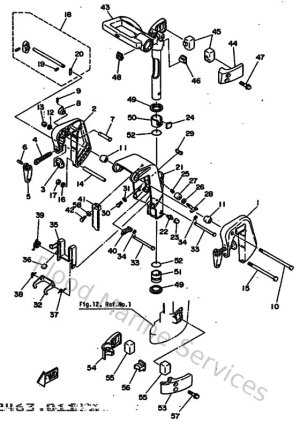
Bracket
-
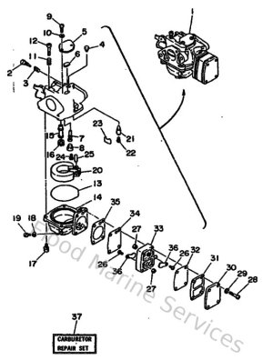
Carburetor
-
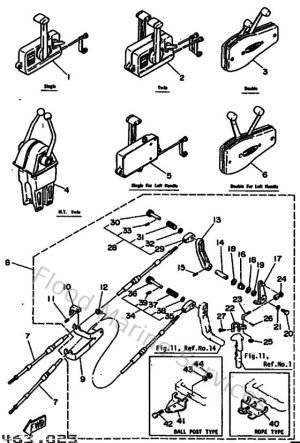
Control
-
Crankshaft & Piston
-
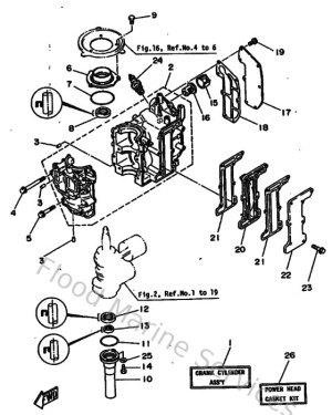
Cylinder & Crankcase
-
Electric Motor
-
Electric Parts
-
Fuel
-
Intake
-
Lower Casing & Drive 1
-
Lower Casing & Drive 2
-
Magneto
-
Optional Parts 1
-
Optional Parts 2
-
Optional Parts 3
-
Remote Control
-
Remote Control Assy
-
Repair Kit
-
Starter
-
Steering
-
Top Cowling
-
Upper Casing