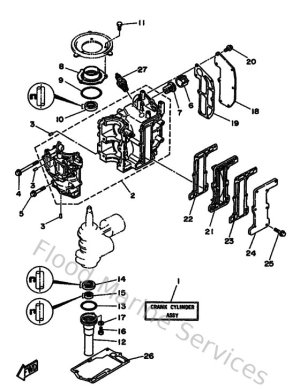
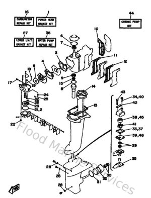
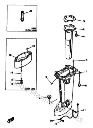
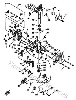
Diagram Sections: 8CEM (1994)

Download as PDF