New Search
Parts
New Outboards
Diagram Sections: 8CMH (1997)
Download as PDF
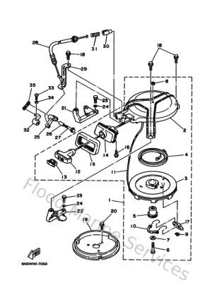
Bottom Cowling
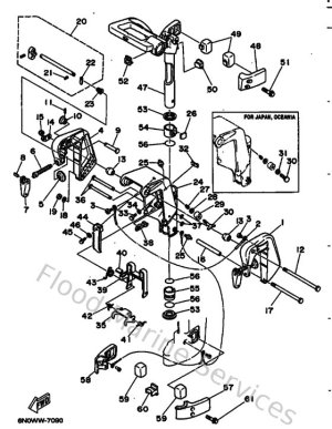
Bracket 1
Carburetor
Control
Crankshaft & Piston
Cylinder & Crankcase
Electrical 1
Fuel
Generatrice
Intake
Kits De Reparation 1
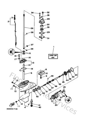
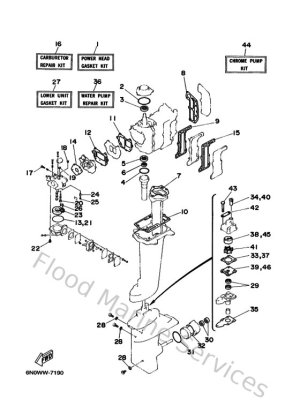
Lower Casing & Drive
Starter
Steering
Top Cowling
Upper Casing