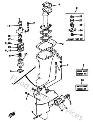
Diagram Sections: 9.9DMH (1994)

Download as PDF