New Search
Parts
New Outboards
Diagram Sections: 9.9FMH (1996)
Download as PDF
Bottom Cowling
Bracket 1
Bracket 2
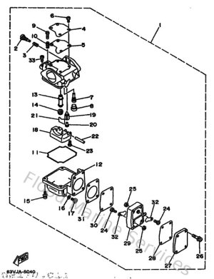
Carburetor
Control
Control 1
Crankshaft & Piston
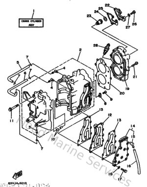
Cylinder & Crankcase
Demarreur Electrique
Fuel 1
Generator
Intake
Kits De Reparation 1
Kits De Reparation 2
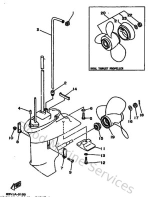
Lower Casing & Drive
Partie Electrique 1
Partie Electrique 2
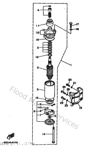
Starter
Steering
Steering Guide
Upper Casing