New Search
Parts
New Outboards
Diagram Sections: 9.9FMH (2004)
Download as PDF
BOTTOM COWLING
BRACKET 1
BRACKET 2
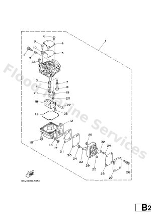
CARBURETOR
CONTROL
CRANKSHAFT & PISTON
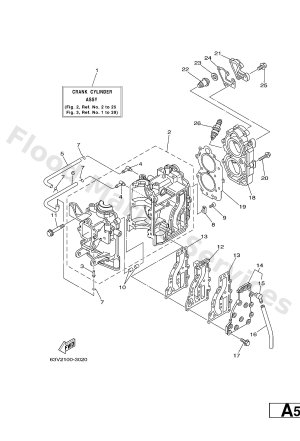
CYLINDER & CRANKCASE
ELECTRICAL
FUEL
FUEL TANK
GENERATOR
INTAKE
LOWER CASING & DRIVE 1
LOWER CASING & DRIVE 2
REMO CON ATTACHMENT
REPAIR KIT 1
REPAIR KIT 2
STARTER
STEERING
TOP COWLING
UPPER CASING