Diagram Sections: 9.9FMH (2013)
Download as PDF-
BOTTOM COWLING
-
BRACKET 1
-
BRACKET 2
-
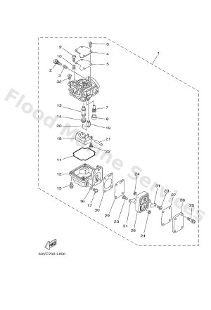
CARBURETOR
-
CONTROL
-
CRANKSHAFT & PISTON
-
CYLINDER & CRANKCASE
-
ELECTRICAL
-
FUEL
-
FUEL TANK 1
-
FUEL TANK 2
-
GENERATOR
-
INTAKE
-
LOWER CASING & DRIVE 1
-
LOWER CASING & DRIVE 2
-
OPTIONAL PARTS
-
REMO CON ATTACHMENT
-
REPAIR KIT 1
-
REPAIR KIT 2
-
SCHEDULED SERVICE PARTS
-
STARTER
-
STEERING
-
TOP COWLING
-
UPPER CASING