Diagram Sections: 90AETOL (1989)
Download as PDF-
Bottom Cowling
-
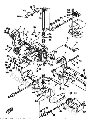
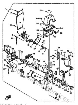
Bracket 1
-
Bracket 2
-
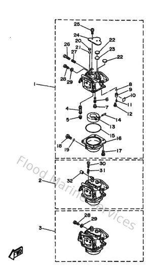
Carburetor
-
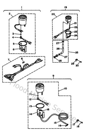
Control
-
Crankshaft & Piston
-
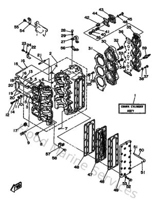
Cylinder & Crankcase
-
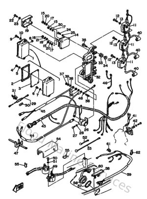
Electrical
-
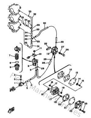
Fuel
-
Fuel 2
-
Intake
-
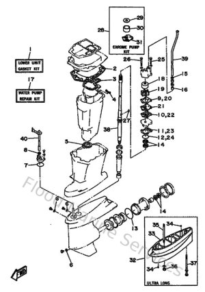
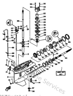
Lower Casing & Drive 1
-
Lower Casing & Drive 2
-
Magneto
-
Manual Tilt
-
Oil Pump
-
Optional Parts
-
Optional Parts 1
-
Optional Parts 2
-
Optional Parts 3
-
Optional Parts 4
-
Optional Parts 5
-
Optional Parts 6
-
Power Trim & Tilt Assy
-
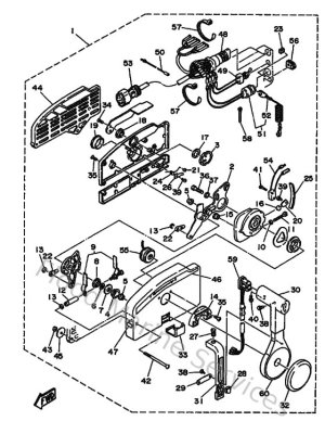
Remote Control
-
Remote Control Assy 1
-
Remote Control Assy 2
-
Remote Control Assy 3
-
Repair Kit 1
-
Repair Kit 2
-
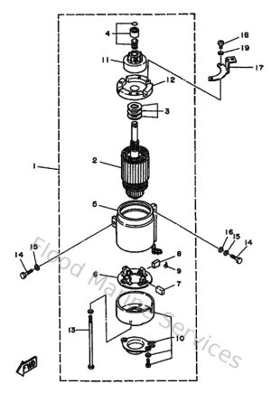
Starting Motor
-
Steering Guide
-
Top Cowling
-
Upper Casing