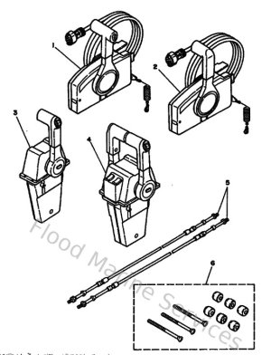
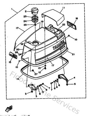
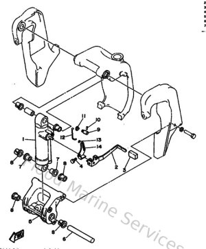
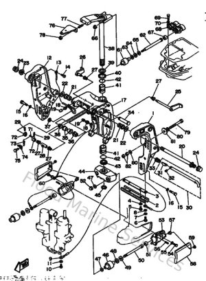
Diagram Sections: 90AETOL (1993)

Download as PDF