Diagram Sections: 90AETOL (1996)
Download as PDF-
Bottom Cowling
-
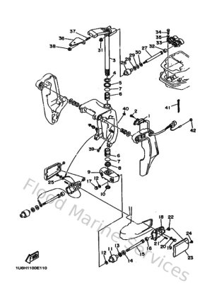
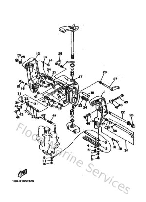
Bracket 1
-
Bracket 2
-
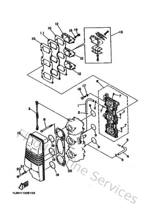
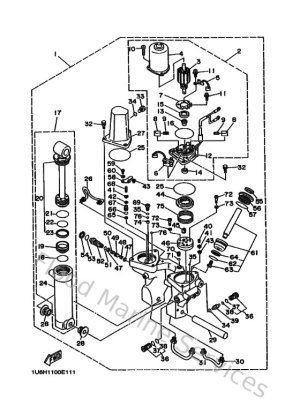
Carburetor
-
Control
-
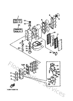
Crankshaft & Piston
-
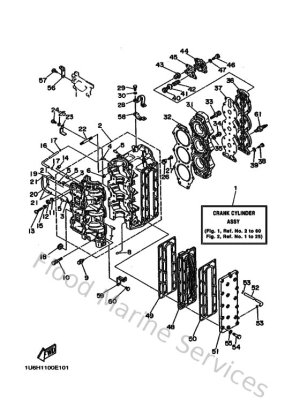
Cylinder & Crankcase
-
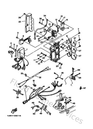
Electrical
-
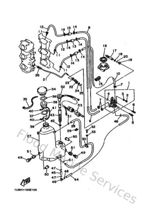
Fuel
-
Intake
-
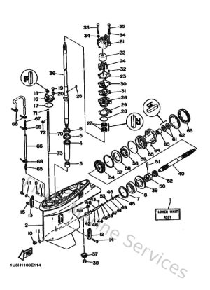
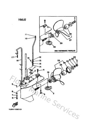
Lower Casing & Drive 1
-
Lower Casing & Drive 2
-
Lower Casing & Drive 2 (USA)
-
Magneto
-
Oil Pump
-
Power Trim & Tilt Assy 1
-
Repair Kit 1
-
Repair Kit 2
-
Starting Motor
-
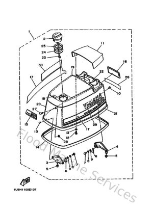
Top Cowling
-
Upper Casing