Diagram Sections: 90AETOL (2001)
Download as PDF-
Bottom Cowling
-
Bracket 1
-
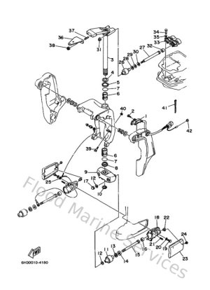
Bracket 2
-
Carburetor 2
-
Control
-
Crankshaft & Piston
-
Cylinder & Crankcase
-
Electrical 1
-
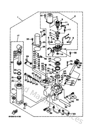
Fuel
-
Fuel 2
-
Generator
-
Intake 1
-
Lower Casing & Drive 1
-
Lower Casing & Drive 3
-
Power Trim & Tilt Assy
-
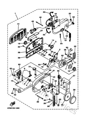
Remote Control Assy 1
-
Remote Control Box
-
Repair Kit 2
-
Repair Kit 3
-
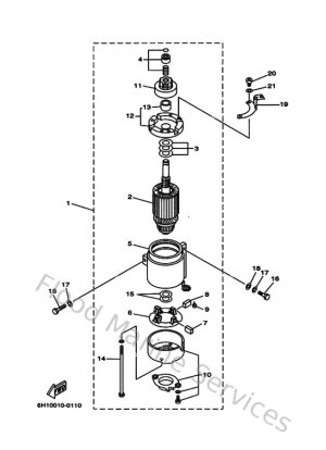
Starting Motor
-
Steering Guide
-
Top Cowling
-
Upper Casing