Diagram Sections: D150HETO (2002)
Download as PDF-
BOTTOM COWLING
-
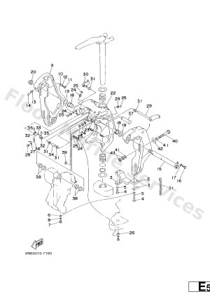
BRACKET 1
-
BRACKET 2
-
CARBURETOR
-
CONTROL
-
CRANKSHAFT. PISTON
-
CYLINDER. CRANKCASE 1
-
CYLINDER. CRANKCASE 2
-
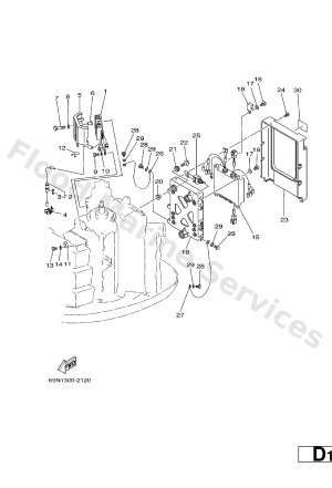
ELECTRICAL 1
-
ELECTRICAL 2
-
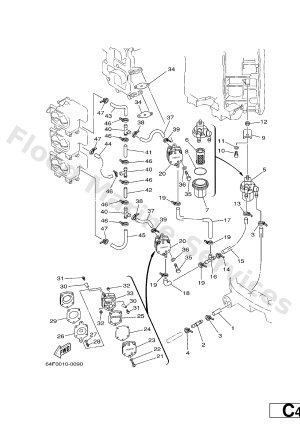
FUEL 1
-
FUEL 2
-
GENERATOR
-
INTAKE
-
LOWER CASING. DRIVE 1
-
LOWER CASING. DRIVE 2
-
LOWER CASING. DRIVE 3
-
METER
-
OIL PUMP
-
OIL TANK
-
POWER TRIM & TILT ASSY 1
-
POWER TRIM & TILT ASSY 2
-
REPAIR KIT 1
-
REPAIR KIT 2
-
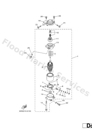
STARTING MOTOR
-
TOP COWLING
-
UPPER CASING